Scopri come la simulazione multifisica viene utilizzata per ricerca e sviluppo
In questa sezione troverete i lavori presentati alle Conferenze mondiali COMSOL. Le presentazioni descrivono ricerche e prodotti innovativi progettati con COMSOL Multiphysics da colleghi di tutto il mondo. I temi delle ricerche presentate abbracciano un'ampia gamma di settori produttivi e aree applicative, in ambito elettrico, meccanico, fluidodinamico e chimico. Lo strumento di Ricerca Rapida vi permetterà di trovare le presentazioni che si riferiscono all'area di vostro interesse.
Visualizza gli articoli presentati alla COMSOL Conference 2020
Energy harvesting from ambient vibrations has become an interesting topic for powering wireless sensor networks. Resonant microdevices based on MEMS have become of central importance at low frequency. The power produced at resonance is at least one order of magnitude larger than off ... Per saperne di più
The core unit of desiccant cooling systems is a dehumidifying device, in most cases a wheel made of inert material coated with an adsorbent (silica gel in the present work). Two sections can be identified: air to be dehumidified was passed through the process section, while in the ... Per saperne di più
The effects of sharp corners on the flux distribution in a ferromagnetic core are modeled using COMSOL Multiphysics® to determine the time-domain flux density for an applied field which is uniform in the non-corner section of the core. The frequency spectrum of the flux distribution is ... Per saperne di più
Electrostrictive polymers have been of significant interest over the last years for energy harvesting. Principle is based on the conversion of a mechanical deformation into electricity. The stored energy basically depends on the mechanical strain induced into an electrostrictive polymer ... Per saperne di più
Microdialysis is a technique of continuous glucose monitoring in diabetic patients. In microdialysis, a saline serum is perfused into a microdialysis probe. Glucose pass from the plasmatic fluid through the porous membrane. The glucose concentration in the dialysate obtained is measured ... Per saperne di più
This paper shows a model to estimate the scaling parameters for reverse osmosis membrane processes. The model takes into account the concentration polarization of ionic species in the membrane channel of spiral-wound modules and the effect of the spacers on the flow. The scaling ... Per saperne di più
Circuit board failures are often ignored because they could be impreceptible. This simulation examines how internal layers around a soldered pin via subject to temperature changes during the soldering process are affected, show the forces involved and determine breaking points. A 2D ... Per saperne di più
Reformer and catalytic burners are common components in fuel cell systems, crucial for efficient preparation of fuel and exhaust gases of the fuel cell stack. We intend to show the influence of radiation to the temperature distribution inside of a reformer unit. The model consists of an ... Per saperne di più
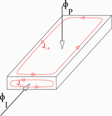
Laminated media are intended to conduct the magnetic flux in the plane (high resistance to limit the eddy currents). When fringing flux falls in perpendicularly to the plane, the surface for the eddy currents is no longer small. This will cause eddy current losses, which will reduce the ... Per saperne di più
In the field of electric machines, a trend towards both higher efficiency and higher power density is observed. This has led to a growing importance of Permanent Magnet Synchronous Machines. However, the magnets used in these machines risk demagnetization at high temperatures. Especially ... Per saperne di più
