Note: This discussion is about an older version of the COMSOL Multiphysics® software. The information provided may be out of date.
Discussion Closed This discussion was created more than 6 months ago and has been closed. To start a new discussion with a link back to this one, click here.
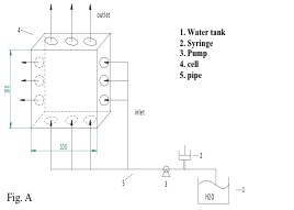
behaviour of a flow within a box
Posted 11 lug 2011, 15:13 GMT-4 Fluid & Heat, Computational Fluid Dynamics (CFD), Battery Design, Mesh Version 4.1 12 Replies
Please login with a confirmed email address before reporting spam
I have a problem to analyze the flow motion within this cell(figure). It's basically a box with 6inlets and 6outlets. I've put an inlet mass flow and an environmental pressure at the outlet, the problem is that I can't visualize the motion within the cell. I would get the video of how the flow fill the box with the passage of time.
Any help would be appreciated.
Sorry for bad english
Cheers
Attachments:
Please login with a confirmed email address before reporting spam
There are several issues with your model. First of all, you are subtracting the domain where you impose the laminar flow so that you actually obtain a cavity rather than a volume. You just need ti build all the extrusion and form a union, just forget about the block, the differences and the assembly.
Second, you need to rewrite a bit you inlet and outlet conditions after you check it is actually laminar flow, according to my calculations you have a Reynolds number of about 3000, I would say you have transition flow, so you also need to have a fine mesh, in your model there is only a lonely size and no elements.
Cheers
Please login with a confirmed email address before reporting spam
I've changed the model, I drawn just the water dominium which I want to study.
Now, do you know how could I see a video over liquid movement within the cell?
Thanks
Cheers
(I had to clear all the solution which I got because the file was too big)
Attachments:
Please login with a confirmed email address before reporting spam
I haven't tried your model yet, I have not much time, but I am curious did you really get a convergent solution? Your inlet and outlet do not reach the desired value increasing slowly over time, they are already set at the beginning of the simulations. It would be surprising if the solver can converge that easily. Furthermore, you may wan to specify something besides the boundary layer mesh and the size, maybe something like free tethraedals or you may be able to use a swept mesh.
Anyway, if you already have the solution all you have to do is select the plot your interested in, I guess Velocity would be good enough, then you need to click on the small button on top which says 'Player' it will automatically create a video in comsol of how the velocity varies in time, then you can export the comsol video into some other format such as media player.
Cheers
Please login with a confirmed email address before reporting spam
after a while I got results so I guess it has reached convergence(I had even changed the velocity so now Re is about 300). I've used a boundary layer mesh(image attached), honestly don't know why..
I've found the way to get the video(attached) but now the problem is that it seems to work in the opposite way, I mean since I've put a Volume force of 9.81*waterdensity N/m3 to simulate gravity force the water starts to move from the top(where are the outlets) to the bottom. That make sense because it is like if I had a over pressure acting from above downwards but It is not real because the fluid inlets are at the bottom
Any idea?
I hope I was clear
Cheers
Attachments:
Please login with a confirmed email address before reporting spam
I did run the simulation and I am surprised it converged, there are still some issues regarding the mesh mostly. Boundary layer mesh is a 'must' in CFD but it might be better to have it finer by reducing the distance of the first layer form the wall. Again, it may be a good idea to try a real mesh, not only the size feature but actually write down something about free tethraedals or use a swept mesh.
Finally, I do not understand what you mean by "the water starts to move from the top(where are the outlets) to the bottom."
If you look at the pictures you can clearly see the arrows pointing from the inlet to the outlet, there is a lot of recirculation but it is fine, all in all the model seems to be working properly, and remember you defined one inlet and one outlet only. One picture was taken after 3 seconds and one after 30 seconds.
Cheers
Attachments:
Please login with a confirmed email address before reporting spam
Yes, you were right, by that configuration the flow motion seems to be how expected.
I've run a new model(model6 below) with more inlets and outlets, the result as you can watch in the picture is that the fluid is moving in the opposite way, I guess it is because of the Volume force but I don't know how to solve it.
I would like to get a video which show how the cell will be filled, do you think is is possible by Comsol?
Thanks
Cheers
Attachments:
Please login with a confirmed email address before reporting spam
I've run it without the Volume force and that is the image I got, that makes more sense to me, even if I know that isn't completely right.
Regards
Attachments:
Please login with a confirmed email address before reporting spam
You need to make sure first of all what you need in your model and then you may decide upon volume forces and so on, but I noticed you have not defined a mesh and you have not defined entrance lengths for the inlets nor for the otulets and you can see that the amount of mass flowing out of your domain is greater than the mass flwoing in even with fewer inlets and with the volume force acting.
Regarding the movie, I think I understand you want to simulate water fowing in and slowly displacing air from the domain, if you think carefulyl then you are modelling two different fluids air and water, that is quite complicated but it may be done using the so-called level-set method which is a story in itself.
You may look up information about the level set both in the comsol manual both on-line, for example math.berkeley.edu/~sethian/
Cheers
Please login with a confirmed email address before reporting spam
thank you for the link, I'll give a look but I understand that is much difficult than I thought.
My immediate problem is just to get plausible results of the flow motion, what do you mean as "entrance length" and how can I define it?
I had defined a boundary mesh, as you already told me that isn't enough accurate, so I've defined now a free thetraedrical on all the domain; should that work better?
What would you set as initial values?
Cheers
Please login with a confirmed email address before reporting spam
I think some study of fluid dynamics is in order to understand concepts such as boundary layer and entrance length. A good introductory book is 'A brief introduction to fluid mechanics' by Young et Al..
A quick link may be: www.engineeringtoolbox.com/entrance-length-flow-d_615.html
Meshing can be difficult some tips may be found in the comsol manual.
Cheers
Please login with a confirmed email address before reporting spam
I think some study of fluid dynamics is in order to understand concepts such as boundary layer and entrance length. A good introductory book is 'A brief introduction to fluid mechanics' by Young et Al..
A quick link may be: www.engineeringtoolbox.com/entrance-length-flow-d_615.html
Meshing can be difficult some tips may be found in the comsol manual.
Cheers
Please login with a confirmed email address before reporting spam
I've tried to improve the model using the level set, following the example of the inkjet which I found in the model exchange section, but it doesn't reach convergence, do you have idea why?
Thanks
Cheers
P.S: I've attached the two model in 3D and 2D
Attachments:
Note that while COMSOL employees may participate in the discussion forum, COMSOL® software users who are on-subscription should submit their questions via the Support Center for a more comprehensive response from the Technical Support team.
